项目(Item) | 说明(Specifications) |
步距角(Step Angle) | 1.8° |
步距角精度(Step Angle Accuracy) | ±5% (整步无负载,full step, no load) |
径向间隙( Radial Play) | 0.02mm@450 g |
轴向间隙( Axial Play) | 0.08mm@450 g |
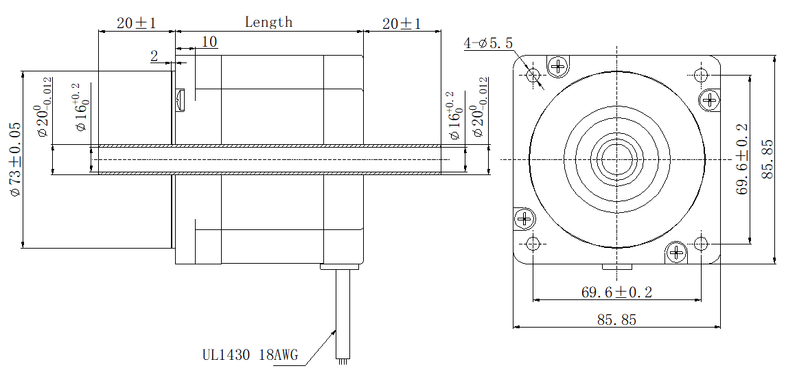
最大径向负载(Max. radial force) | 130N 距法兰20mm (20mm from the flange) |
最大轴向负载(Max. axial force) | 36N |
介电强度(Dielectric Strength) | 1200VAC / 1S |
绝缘电阻(Insulation Resistance) | 100MΩ ,500VDC |
环境温度(Ambient Temperature) | -20。C~+50。C |
绝缘等级(Insulation Class) | Class B |
型号(Model No.) | Current /Phase 每相 电流 | Resistance /Phase 每相 电阻 | Inductance /Phase 每相 电感 | Holding Torque 保持 转矩 | Detent Torque 定位 转矩 | # of Leads 引出线数 | Rotor Inertia 转动惯量 | Weight 重量 | Length 机身 长度 | |
Double shaft(双出轴) | A | Ω | mH | N.m | N.m | # | g-cm2 | kg | mm | |
FL86STH80-4208B-H | 单极性 unipolar | 4.2 | 0.8 | 3.5 | 3.3 | 0.12 | 8 | 1400 | 2.3 | 77 |
串联 series | 3 | 1.6 | 14 | 4.5 | ||||||
并联 parallel | 6 | 0.4 | 3.5 | 4.5 | ||||||
FL86STH118-4208B-H | 单极性 unipolar | 4.2 | 1.2 | 6.5 | 6 | 0.24 | 8 | 2700 | 3.8 | 114 |
串联 series | 3 | 2.4 | 26 | 8.5 | ||||||
并联 parallel | 6 | 0.6 | 6.5 | 8.5 |
该款电机可以根据客户需求定制。
The motor can be designed &manufactured with customized request.



Copyright 2023 版权所有 江苏富兴电机技术股份有限公司