
型号 Model | 步距角 Step Angle (Deg.) | 相数 No. of Phase | 电压 Voltage(V) | 电流 Current(A) | 电阻 Resistance(Ω) | 电感 Inductance(mH) | 保持力矩 Holding Torque (g.cm) | 牵出力矩/ 推力 Pull-in Torque (g.cm))/ Push Torque(N) | 定位力矩 Detent Torque (g.cm) | 引出线型号 Leads | 接线图 Wdg | 外形图 Fig |
15BYT-01 | 18 | 2 | 12 | 0.07 | 170 | 28 | 25 | 5g.cm | 10 | UL 1571 30# | a | 1 |
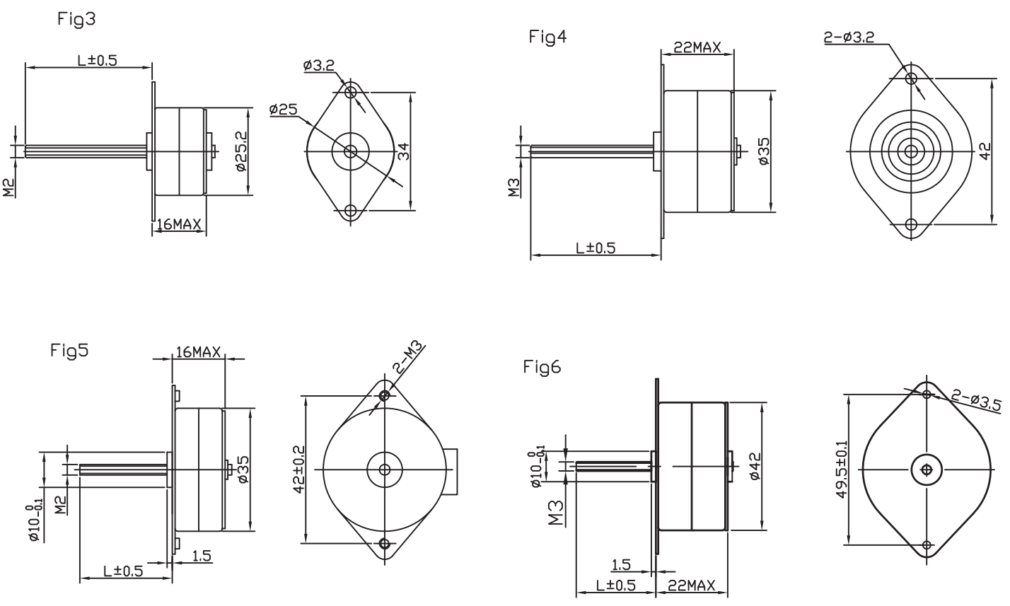
18BY30Z-01 | 18 | 2 | 12 | 0.11 | 110 | 6N | a | 2 | ||||
20BYT-01 | 18 | 2 | 5 | 0.5 | 10 | 4.6 | 60 | 10g.cm | 20 | UL 1068 28# | a | 3 |
20BYZ-09 | 18 | 2 | 12 | 0.6 | 20 | 12.8 | 10N | UL 1571 28# | a | 4 | ||
25BY24T-04 | 15 | 2 | 12 | 0.48 | 25 | 10.9 | 180 | 45g.cm | 35 | UL 1068 28# | a | 6 |
25BY24T-12 | 15 | 2 | 3.3 | 0.33 | 10 | 4.7 | 100 | 25g.cm | 40 | UL 1068 28# | a | 5 |
25BY48T-12 | 7.5 | 2 | 12 | 0.143 | 84 | 48 | 150 | 50g.cm | 30 | UL 1068 28# | a | 7 |
25BY48T-31 | 7.5 | 2 | 3.3 | 0.33 | 10 | 4.7 | 100 | 25g.cm | 40 | UL 1068 28# | a | 5 |
35BY24LZ-01 | 15 | 4 | 24 | 0.28 | 85 | 32.9 | 450 | 110g.cm | 130 | UL 1007 26# | b | 8 |
35BY48LZ-01 | 7.5 | 4 | 12 | 0.2 | 60 | 31.6 | 520 | 50g.cm | 125 | UL 1007 26# | b | 8 |
35BY48SZ-01 | 7.5 | 4 | 5 | 0.71 | 7 | 3 | 450 | 60g.cm | 75 | UL 1007 26# | b | 9 |
42BY48LZ-01 | 7.5 | 4 | 12 | 0.18 | 70 | 50.5 | 500 | 60g.cm | 125 | UL 1007 26# | c | 10 |
42BY48SZ-01 | 7.5 | 4 | 12 | 0.3 | 40 | 20.7 | 550 | 70g.cm | 100 | UL 1095 26# | b | 11 |
57BY48Z-01 | 7.5 | 4 | 12 | 0.6 | 21 | 23.5 | 1500 | 320g.cm | 425 | UL 1007 26# | b | 12 |
该款电机可以根据客户需求定制。
The motor can be designed &manufactured with customized request.




Copyright 2023 版权所有 江苏富兴电机技术股份有限公司