
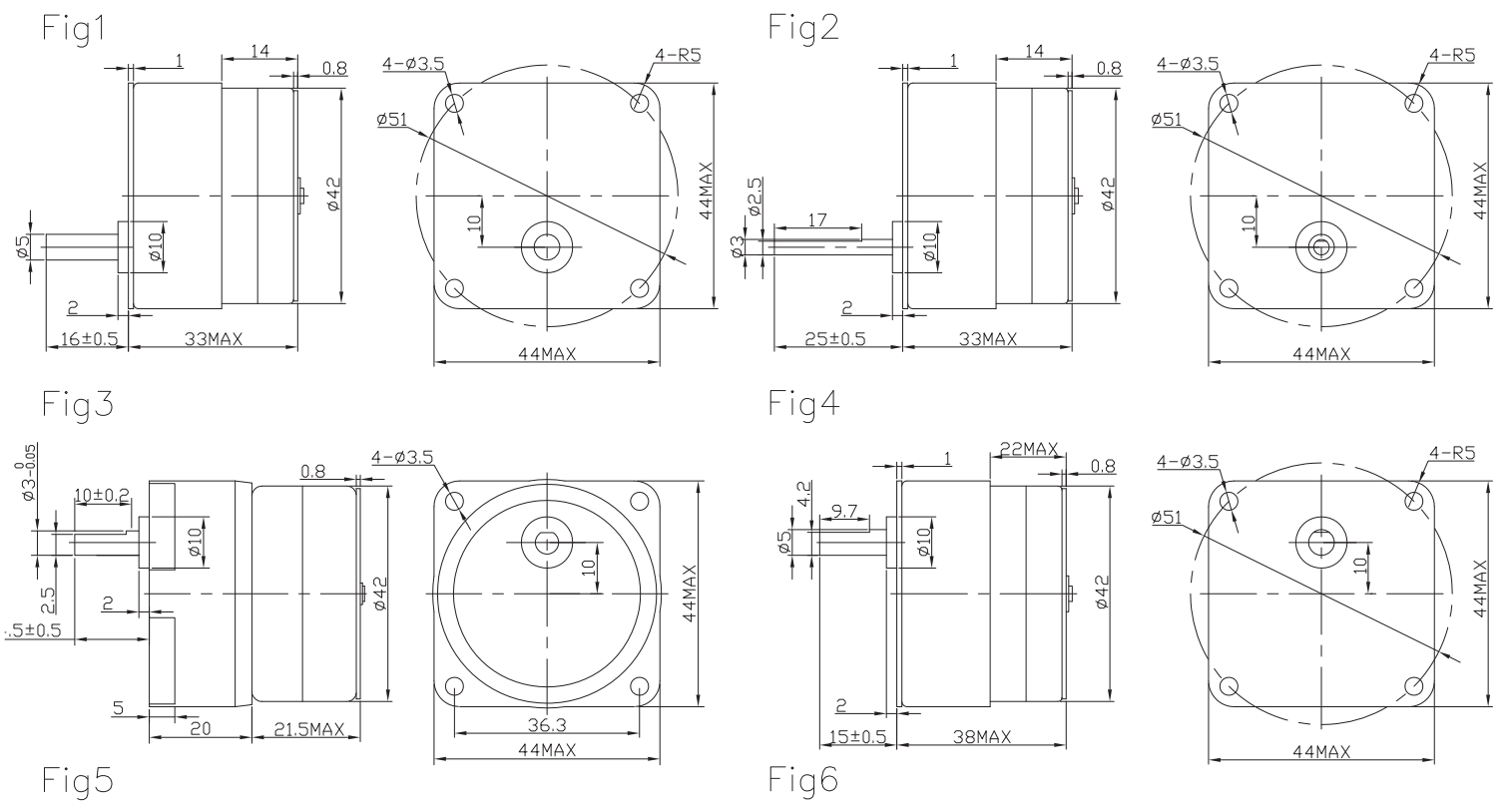
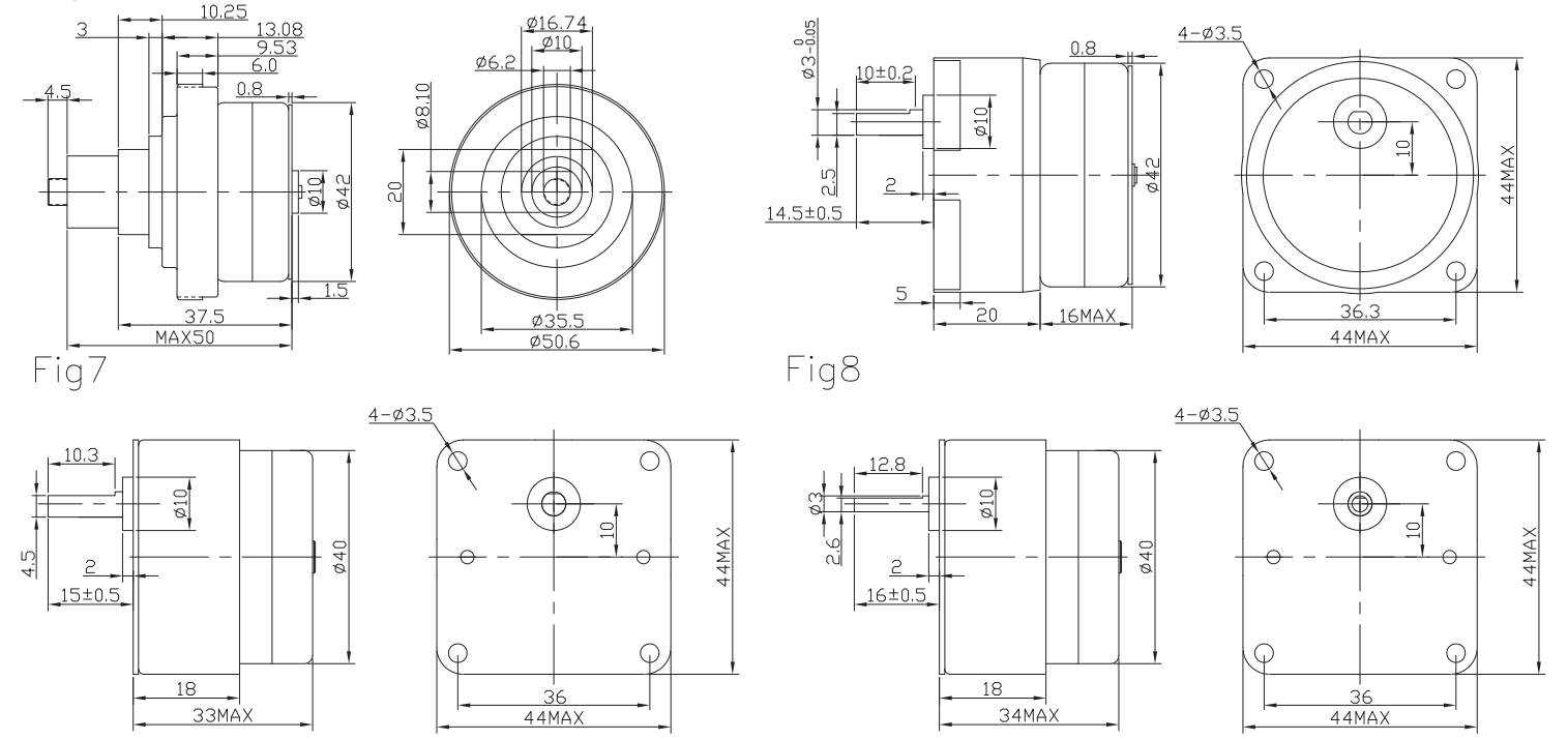
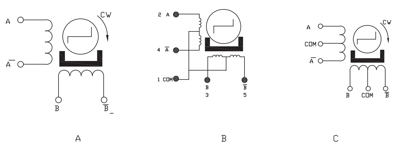
型号 Model | 步距角 Step Angle (Deg.) | 相数 No. of Phase | 电压 Voltage(V) | 电流 Current (A) | 电阻 Resistance(Ω) | 电感 Inductance(mH) | 减速比 Ratio | 空载启动频率 No-load Starting Frequency (pps) | 牵出力矩 Pull-out Torque (g.cm) | 引出线数 Leads | 接线图 Wdg | 外形图 Fig |
42BYHJ01 | 7.5 | 4 | 12 | 0.44 | 27 | 15.1 | 1/24 | 380 | 1600 | UL 1007 26# | b | 1 |
42BYHJ3-01 | 7.5 | 2 | 12 | 0.22 | 54 | 58 | 1/3 | 270 | 800 | UL 1007 26# | a | 2 |
42BYHJ05-01 | 7.5 | 4 | 12 | 0.5) | 10.7 | 5.2 | 1/5 | 450 | 1300 | UL 1007 26# | c | 3 |
42BYHJ7-01 | 7.5 | 2 | 12 | 0.22 | 54 | 57.6 | 1/7 | 300 | 1000 | UL 1007 26# | a | 2 |
42BYHJ10-06 | 7.5 | 2 | 24 | 0.133 | 180 | 260 | 1/10 | 260 | 1600 | UL 1007 26# | a | 4 |
42BYHJ12.25-01 | 3.6 | 2 | 12 | 0.16 | 75 | 75 | 1/12.25 | 350 | 90N(push) | AF 200 24# | a | 5 |
42BYHJ15-01 | 7.5 | 4 | 12 | 0.18 | 66 | 31.6 | 1/15 | 270 | 1500 | UL 1061 28# | c | 6 |
42BYHJ20-01 | 15 | 4 | 12 | 0.18 | 66 | 41.6 | 1/20 | 240 | 1200 | UL 1095 28# | c | 7 |
42BYHJ25-02 | 7.5 | 4 | 12 | 0.44 | 27 | 63 | 1/24 | 380 | 1660 | UL 1007 26# | b | 1 |
42BYHJ50-08 | 15 | 4 | 24 | 0.08 | 300 | 175 | 1/50 | 210 | 2100 | UL 1007 24# | c | 8 |
该款电机可以根据客户需求定制。
The motor can be designed &manufactured with customized request.



Copyright 2023 版权所有 江苏富兴电机技术股份有限公司